自限温电伴热带解决调味料生产工艺中湿度过大问题
→ 详情
进口自限温电伴热带的品质,国产价格的伴热带
太阳能热水器使用阻燃与不阻燃电伴热带有什么区别吗?
经常需要检修处的电伴热带保温层处理办法
自限温电伴热带长时间通电会有什么影响?
电伴热带宽度与功率大小有关系吗?
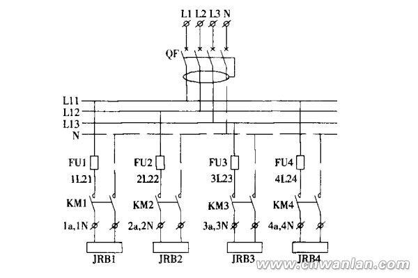
电伴热带控制箱的温度控制原理图
如何选择适合工业场合使用的电伴热带
自限温电伴热带水管防冻保温的施工方案
Copyright © 2024 英国上市公司官网365(集团·认证平台)Platinum China 34118102000484号
皖ICP备14001022号-1 XML